• <tt id="s00ss"></tt>
    <li id="s00ss"></li>
    <li id="s00ss"></li>
  • <tt id="s00ss"><table id="s00ss"></table></tt>
  • <tt id="s00ss"></tt>
    <tt id="s00ss"><rt id="s00ss"></rt></tt>
  • <tt id="s00ss"><rt id="s00ss"></rt></tt>
    您現在的位置:首頁 / 技術支持 / 技術支持
    電加熱器控制系統安裝說明
    來源:安邦電伴熱  瀏覽次數:9831  日期:2013年1月23日

    1、典型電加熱器控制線路
        (1)XXRL型數顯式控制柜為普通繼電器控制的控制柜(俗稱通斷式),控制柜具有電壓、電流、溫度指示等。短路、過載漏電、過熱保護等,此控制柜具有操作簡單,維修方便,造價低,使用壽命長等特點,適用于各種電加熱器的控制。

     

    典型電加熱器控制線路圖


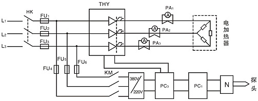
        (2)XXDY型數顯式調壓控制柜,采用晶閘管,PC線路控制,根據出口所測溫度自動調節電壓,具有操作方便.可靠性高.成套性強。適用于大功率電加熱器控制。

     

    電加熱器PC線路控制圖


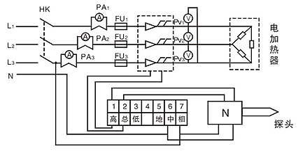
        (3)XXDG型數顯式調功控制柜,是目前世界上最先進的控制系統。該技術引進日本技術而開發,特別適合負載為電阻性的設備。調功控制具有控制精度高(±1℃)。無干擾(特別對計算機)抗干擾強,操作方便,可靠性高,并具有良好的保護系統。當可控硅散熱器超溫,快速熔斷器動作時,當加熱器溫度超溫時,報警都會發出報警信號。

     

    電加熱器數顯式調功控制圖


    2、遠程設定和信號的再傳輸

     

    遠程設定和信號的再傳輸


    3、功率密度的選擇和計算
        功率密度的選擇是很專業的問題。如果功率密度過高,介質在加熱管表面容易結碳或結焦,縮短了加熱器的使用壽命;如果功率密度過低,產生加熱器體積過大,成本過高。因此功率密度的選擇必須根據具體的使用環境而定,它受介質流量、特性、傳熱系數、粘度及比熱等等的影響;對于一些低組份的介質,一般推薦用實驗的方法來獲得。

     

    電加熱器功率參考表(一)

    電加熱器功率參考表(二)

    所屬類別:技術支持
    該資訊的關鍵詞為:電加熱器控制系統,電加熱器安裝

    國家電伴熱生產基地,國際伴熱帶制造專家;傾力打造國內最大規模電伴熱產業集群

    備案皖公網安備 34118102000521號
  • <tt id="s00ss"></tt>
    <li id="s00ss"></li>
    <li id="s00ss"></li>
  • <tt id="s00ss"><table id="s00ss"></table></tt>
  • <tt id="s00ss"></tt>
    <tt id="s00ss"><rt id="s00ss"></rt></tt>
  • <tt id="s00ss"><rt id="s00ss"></rt></tt>
    亚洲精品第一 南充市| 大余县| 上高县| 建昌县| 石林| 广西| 鱼台县| 大宁县| 西畴县| 长宁区| 隆子县| 常宁市| 高尔夫| 衡山县| 太仆寺旗| 应城市| 陇川县| 漳平市| 台北县| 凌海市| 社旗县| 双峰县| 丹寨县| 油尖旺区| 馆陶县| 长春市| 阳东县| 绿春县| 河北省| 上栗县| 彭山县| 苗栗县| 蚌埠市| 达日县| 香河县| 郑州市| 株洲市| 六盘水市| 托里县| 保山市| 平南县| http://444 http://444 http://444