• <tt id="s00ss"></tt>
    <li id="s00ss"></li>
    <li id="s00ss"></li>
  • <tt id="s00ss"><table id="s00ss"></table></tt>
  • <tt id="s00ss"></tt>
    <tt id="s00ss"><rt id="s00ss"></rt></tt>
  • <tt id="s00ss"><rt id="s00ss"></rt></tt>
    您現在的位置:首頁 / 產品展示 / 電加熱器
    導熱油爐電加熱器
    導熱油爐電加熱器
    產品名稱:導熱油爐電加熱器
    產品型號:導熱油爐電加熱器
    產品價格:電議
    商標品牌:安邦
    產品認證:EX
    主要用途:廣泛應用于化工、石油、機械、印染、食品、船舶、紡織、薄膜等行業中
    詳細說明

    一、概述
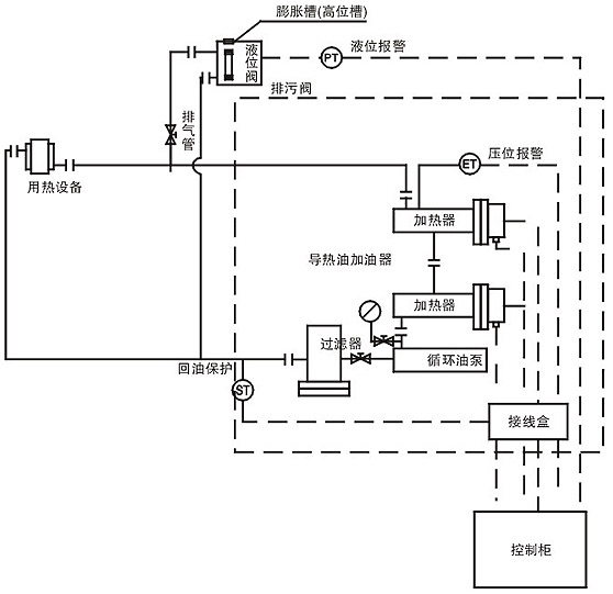
       導熱油爐電加熱器(又稱導熱油加熱器)是將是將電加熱器直接插入有機載體(導熱油)中直接加熱,利用循環泵,強制導熱油進行液相循環,將熱量傳遞給用一個或多種用熱設備,經用熱設備卸載后,重新通過循環泵,回到加熱器,再吸收熱量,傳遞給用熱設備,如此周而復始,實現熱量的連續傳遞,使被加熱物體溫度升高,達到加熱的工藝要求。導熱油加熱器采用數顯溫控儀控溫,具有超溫報警、低油位報警、超壓力報警功能,它是化工、石油、機械、印染、食品、船舶、紡織、薄膜等行業中一種高效節能的供熱設備。

     

    導熱油爐電加熱器結構圖

     

    導熱油爐電加熱器圖


    二、特點
    1、運行壓力低
        液相輸送熱能,能在較低的運行壓力下,獲得較高的工作溫度,熱載體較水的飽和蒸汽壓力小70~80倍,一般供熱運行壓力為≤0.3MPa。
    2、加熱溫度高
        導熱油加熱爐供熱溫度可達280℃;加熱溫度自動化控制,靈敏度高,供熱穩定。
    3、安全可靠
        我公司專業研發生產導熱油爐,具備完善的運行控制和安全監測裝置,操作簡便,安全可靠。
    4、環保型設計
        導熱油爐設備配置新型電加熱系統,以電代煤,節省投資,環保無污染,同時導熱油爐加熱升溫快,熱效率高,高效更經濟!
     注:更多具體型號規格可直接聯系我公司,提供加熱器訂制服務。

     

    注:1、安邦提供多規格電加熱器的訂制,用戶只需將設備技術圖紙與技術要求提供給我公司技術部就可。我公司將根據現場工況與溫度要求計算加熱器的設計功率和電加熱的外型結構,并且將附圖與用戶,并對電加熱器的具體外型尺寸和安裝方式與用戶進行研究與溝通。
        2、具體情況可直接聯系我公司銷售部門,安邦將為您提供整套的電加熱解決方案。

    國家電伴熱生產基地,國際伴熱帶制造專家;傾力打造國內最大規模電伴熱產業集群

    備案皖公網安備 34118102000521號
  • <tt id="s00ss"></tt>
    <li id="s00ss"></li>
    <li id="s00ss"></li>
  • <tt id="s00ss"><table id="s00ss"></table></tt>
  • <tt id="s00ss"></tt>
    <tt id="s00ss"><rt id="s00ss"></rt></tt>
  • <tt id="s00ss"><rt id="s00ss"></rt></tt>
    亚洲精品第一 肃北| 扶风县| 泰兴市| 长顺县| 福鼎市| 攀枝花市| 都江堰市| 安康市| 靖江市| 仙游县| 大新县| 鄂尔多斯市| 正阳县| 大竹县| 永仁县| 高邮市| 咸宁市| 永宁县| 栖霞市| 孝感市| 高邑县| 富宁县| 额敏县| 大英县| 綦江县| 米林县| 莱芜市| 迭部县| 衢州市| 托克逊县| 凉山| 洞口县| 平邑县| 大埔县| 万州区| 黄梅县| 冀州市| 隆尧县| 大同市| 额尔古纳市| 沾化县| http://444 http://444 http://444